Producten Beschrijving
|
Artikel: |
Automatische hoogspanningsfactorcorrector |
|
Sspecificatie |
6kv, 10kv, 35kv |
|
Ckleur: |
Grijs7035 |
|
Inpakken: |
Exporteer standaard houten kistverpakkingen |
|
Verzenden & Levering: |
Transport en levering: productiecyclus van 15-25 dagen, geleverd via zee- en landtransport. |
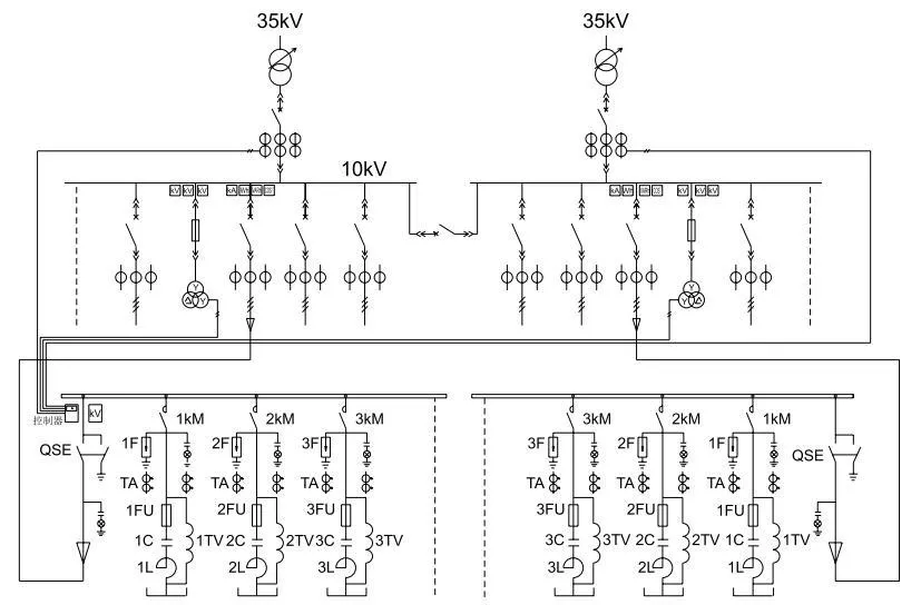
Overzicht
ZRTBBZ-type hoogspannings-shuntcondensatorapparaat is voornamelijk kaststructuur of framestructuur.
Voor kasttypestructuur: veel kasten worden op hun beurt gemonteerd. De kast maakt gebruik van koudgewalst plaatstaalbuiglassen van superieure kwaliteit of buigmontage van aluminiumzinkplaten. Voor- en achterzijde zijn voorzien van enkele of dubbele deuren. De boven-, onder- en zijafdichtplaten zijn voorzien van ventilatie- en warmteafvoervensters. Op het bovenste deel van het kastlichaam is een instrumentenkamer ingericht om de relaisbeveiliging van de kast te plaatsen.
Voor framestructuur: door de afleiderbeugel, het portaalframe van de lijnisolatieschakelaar, de samenstelling van de seriereactor, het frame van de condensatorbank, de hele omtrek van het apparaat met behulp van een stalen gaasomheining.
Het apparaat heeft een hoge mate van automatisering, kan worden gecombineerd met het in het onderstation geïntegreerde automatische bewakingsapparaat om de reactieve vermogenscompensatie van een onbeheerd onderstation te bereiken, en heeft een hoge betrouwbaarheid. Dit apparaat is voornamelijk gebaseerd op enkele en parallelle condensatorcomponenten, uitgerust met een enkele condensatorbeschermingszekering, ontladingsspoel, zinkoxide-afleider en CKS-monddroge seriereactor (reactor kan worden gebruikt als isolatieapparaat). Het maakt ook gebruik van betrouwbare vacuümschakelaars, vacuümonderbrekers of zwavelhexafluoride-stroomonderbrekers zonder updates en stuiteren, als automatische snijapparaten voor parallelle condensatorgroepen. De railverbinding is gemaakt van vertinde koperen staven en het uiterlijk en de structuur worden met trots weergegeven.
Implementatie van standaarden
GB 50227-2008 "Code voor ontwerp van shuntcondensatorapparaten"
JB/T7111-1993 "Hoogspanningshuntcondensatorapparaat"
DL/T 604-1996 "Technische voorwaarden voor het bestellen van hoogspanningshuntcondensatoreenheden"
Modelnummer en de betekenis ervan

Selectie van ondersteunende apparatuur voor het capaciteitscompensatieapparaat met de belangrijkste basisparameters


Instructies voor bestellen
1. Apparaatspecificaties en bestelhoeveelheid
2. Harmonische spanningen in het netwerk
3. Schema van het primaire systeem en kortsluitcapaciteit Sd bij de installatie van het compensatieapparaat
4. Ingangsmodus van de hoofdvoeding en richting van het apparaat
5. Hoogte van de installatielocatie, luchttemperatuur en luchtomgevingsomstandigheden
6. Tijdstip van levering en wijze van transport



FAQ
Populaire tags: automatische powerfactorcorrector, China automatische powerfactorcorrectorfabrikanten, leveranciers, fabriek


